HBM hydraulische verrijdbare autpoetsbrug 2800 kg
2 jaar garantie op dit product
Gereedschapsspecialist sinds 1972
Altijd scherp geprijsd
Positief beoordeeld door meer dan 40.000 klanten
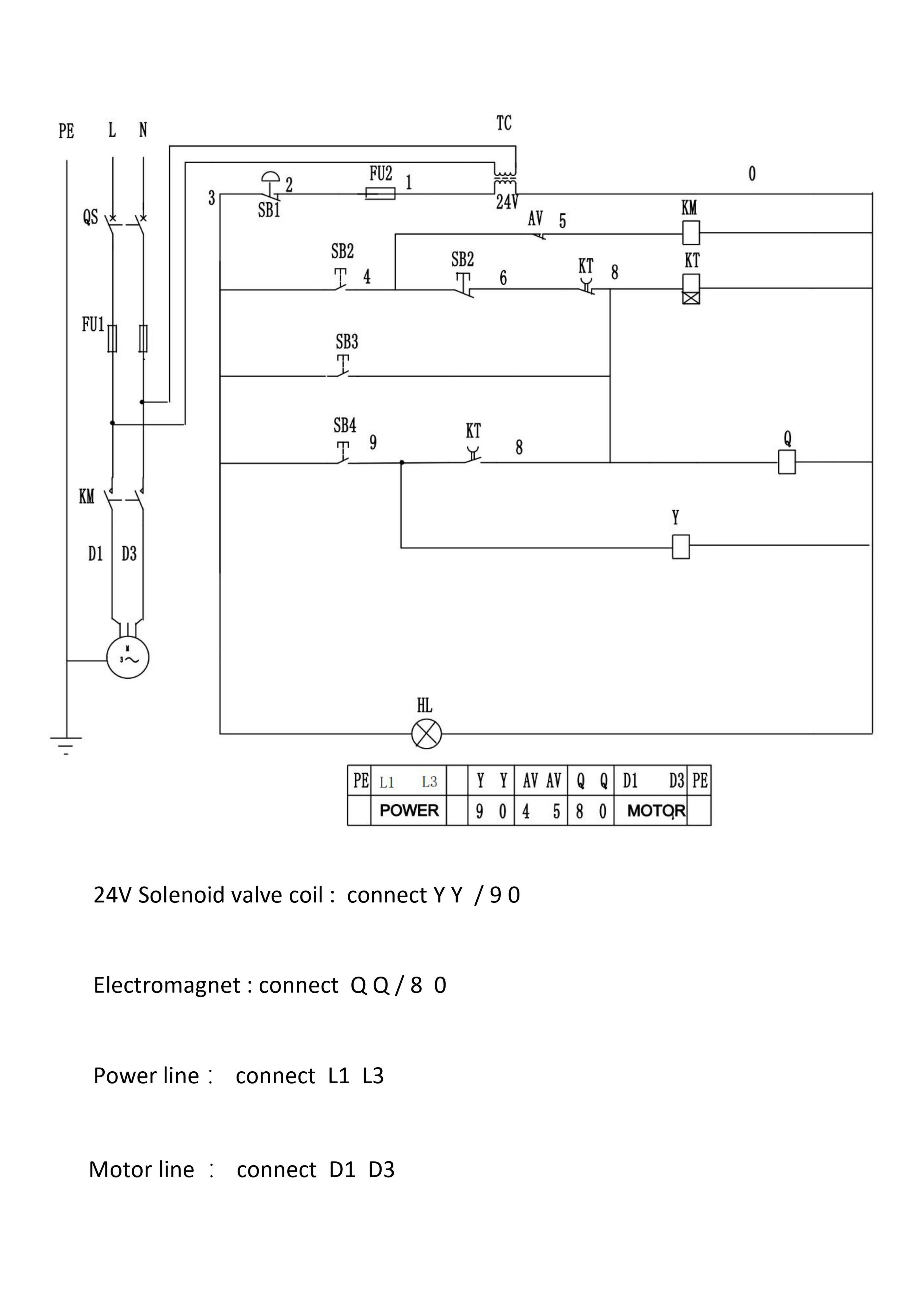
Veiligheidswaarschuwing
- Draag veiligheidsschoenen
Kenmerken
- Voldoende hefhoogte voor banden en poetswerk
- Lage oprijhoogte voor makkelijk positioneren
- Elektronische ontgrendeling voor gecontroleerd zakken
- Stabiele hydraulische hefbeweging
Omschrijving
Een verrijdbare autopoetsbrug maakt het mogelijk voertuigen snel en stabiel te liften voor onderhoud, reiniging en bandenwerk, zonder vaste installatie in de werkplaats.
Deze HBM autopoetsbrug heeft een maximaal hefvermogen van 2.800 kg en is geschikt voor een breed scala aan personenauto’s. De minimale hoogte van circa 15 cm zorgt ervoor dat voertuigen eenvoudig kunnen oprijden, terwijl de maximale hefhoogte van ongeveer 143 cm voldoende werkruimte biedt rondom wielen en dorpels. Het hydraulische systeem wordt aangedreven door een 2.200 Watt motor op 230 Volt en heft of laat de brug in ongeveer 35 seconden zakken. De elektronische ontgrendeling maakt het bedienen overzichtelijk en draagt bij aan een gecontroleerde daalbeweging. Dankzij de verrijdbare constructie kan de brug flexibel worden ingezet op verschillende plekken in de werkplaats, zonder concessies te doen aan stabiliteit of draagvermogen.
Specificaties
Identificatie
EAN-nummer
7435126619516
Artikelnummer
KH13593
Technische specificaties
Nettogewicht product
500 kg
Type zekering
10A
Hef capaciteit
2.800 kg
Afstand linker en rechter plateau
240 cm
Afmetingen & gewicht
Breedte
178,7 cm
Hoogte
143,2 cm
Lengte
263 cm
Afmetingen Product
Maximale hefhoogte
Hoogte
143,2 cm
Minimale hefhoogte
Hoogte
15 cm
Aandrijving
Vermogen
2.200 W
Voeding
Voltage
230 V
Inclusief olie
Nee
Geluidsniveaus
Geluidsniveau
70 dB
Algemeen
Merk
HBM
Garantietermijn
2 jaar
Winkel assortiment
Nee
Verantwoordelijke marktdeelnemer in de EU
Naam
HBM Machines B.V.
Adres
Louis Dobbelmannweg 12
Postcode en stad
2742 KD Waddinxveen
Land
Nederland
E-mailadres
info@hbm-machines.com











